GPS/GLONASS Antenna
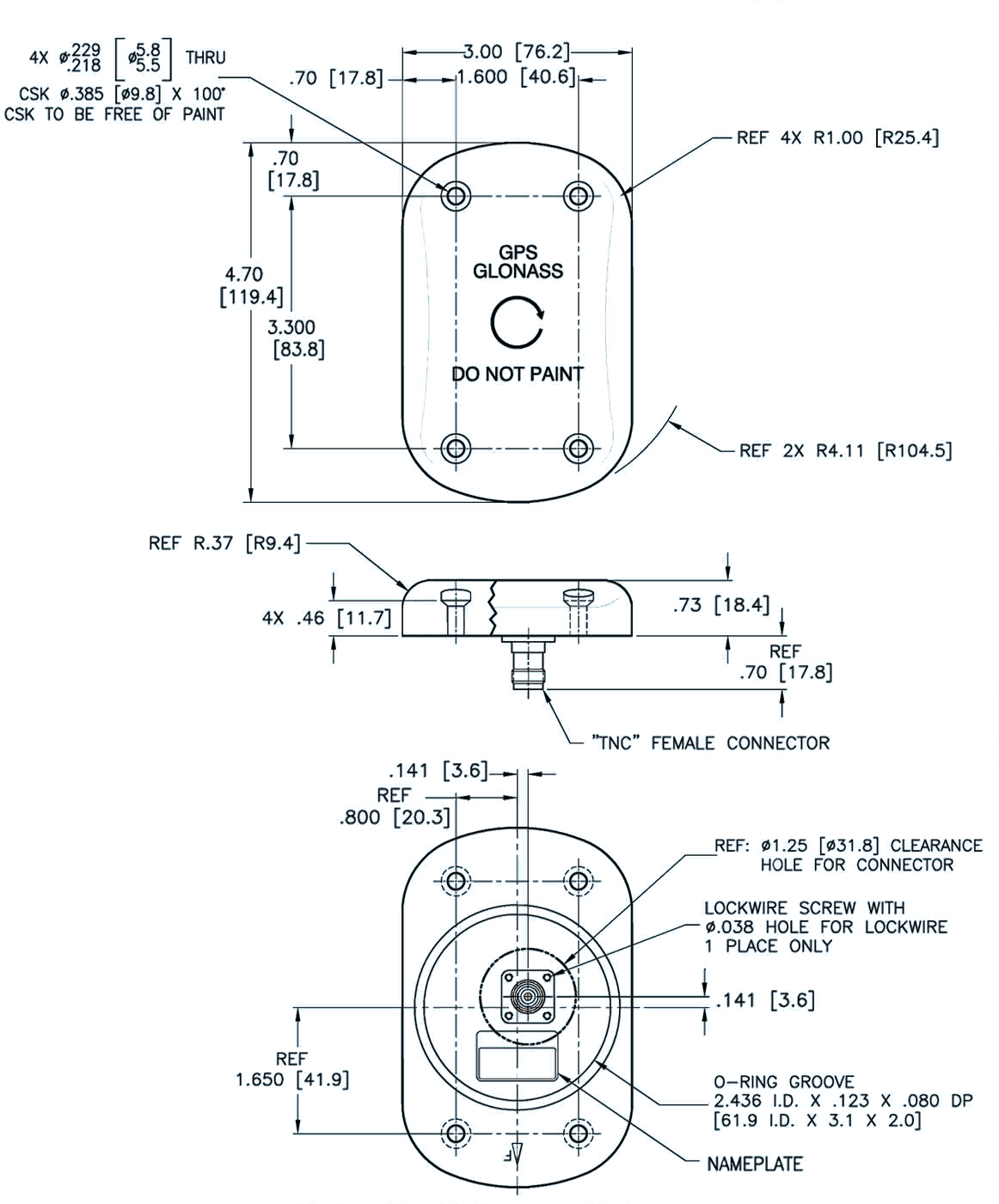
S67-1575-338: L1 GPS operating at 1575.42 MHz and GLONASS operating at 1601.00 MHz. Molded radome provides enhanced protection against rain, ice and lightning strikes. Application for airborne, marine, ground vehicles and manpack installation. The antenna features a state-of-the-art amplifier that uses advanced technologies to provide high GPS GLONASS signal levels with extremely low noise operation for fast satellite acquisition. The amplifier’s complex filtering network rejects adjacent/out of band signals that interfere with the GPS GLONASS operating frequency. The antenna is capable of operating with voltages between +4 to 24 VDC, due to the amplifier’s advanced voltage regulator.
FEDERAL & MILITARY: TSO C144, DO-160D/E/G, DO-228, SAE ARP5416, and MIL-STD-810D.

S67-1575-338: L1 GPS operating at 1575.42 MHz and GLONASS operating at 1601.00 MHz. Molded radome provides enhanced protection against rain, ice and lightning strikes. Application for airborne, marine, ground vehicles and manpack installation. The antenna features a state-of-the-art amplifier that uses advanced technologies to provide high GPS GLONASS signal levels with extremely low noise operation for fast satellite acquisition. The amplifier’s complex filtering network rejects adjacent/out of band signals that interfere with the GPS GLONASS operating frequency. The antenna is capable of operating with voltages between +4 to 24 VDC, due to the amplifier’s advanced voltage regulator.
FEDERAL & MILITARY: TSO C144, DO-160D/E/G, DO-228, SAE ARP5416, and MIL-STD-810D.
