TCAS II Antenna
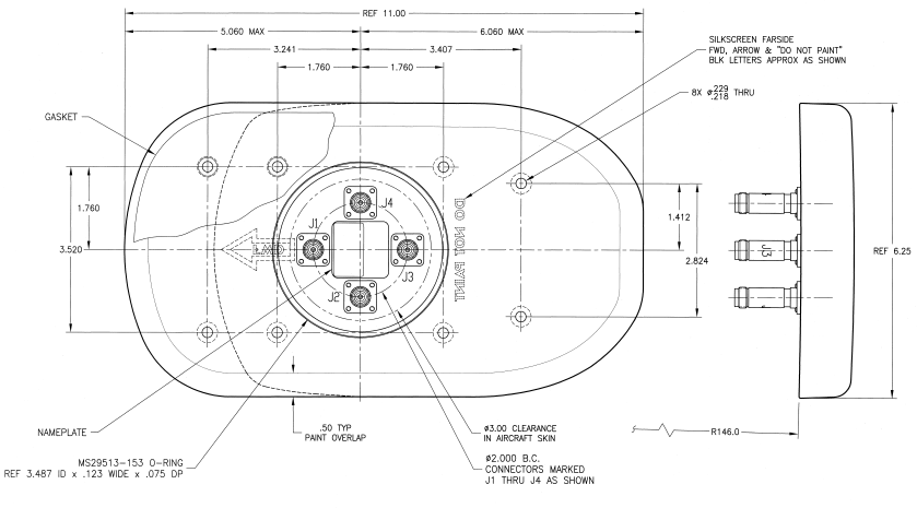
S72-1739: Traffic Collision Avoidance System II (TCAS II) antenna. It is a low-profile antenna with a teardrop radome and leading edge shield. It features a directional four element array. Compatible with the Honeywell TCAS systems. The antenna features
The antenna features Airbus’s standard 8-hole bolt pattern and 110 inch baseplate radius.
Federal & Military Specs: FAA TSO-C119d, ARINC 735, DO-160B/C/D/G, DO-185B, ED-84, MIL-HDBK-5400, MIL-STD-454N and MIL-STD-810B/D.


S72-1739: Traffic Collision Avoidance System II (TCAS II) antenna. It is a low-profile antenna with a teardrop radome and leading edge shield. It features a directional four element array. Compatible with the Honeywell TCAS systems. The antenna features
The antenna features Airbus’s standard 8-hole bolt pattern and 110 inch baseplate radius.
Federal & Military Specs: FAA TSO-C119d, ARINC 735, DO-160B/C/D/G, DO-185B, ED-84, MIL-HDBK-5400, MIL-STD-454N and MIL-STD-810B/D.





