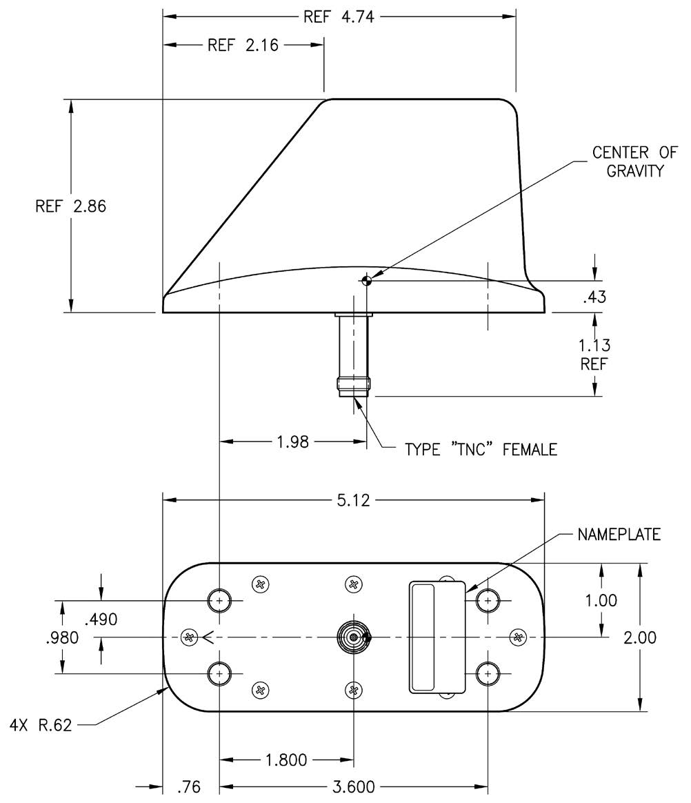
WLAN/WIMAX Antenna
A tri-band blade antenna designed for WiMax 802.16, quad GSM and Wireless Local Area Network (WLAN) communications utilizing IEEE 802.11a/b/g/n wireless broadband standards.
The S65-5366-720 antenna provides world-wide interoperability for data loading electronic flight bags, cargo loading manifests, HUMS (Health and Usage Monitoring System) offloads, updating in-flight entertainment systems and other data transfer functions.
Federal & Military Certifications:
FAA TSO C74d, DO-144A, DO-160D/E/G, MIL-A-7772B, MIL-E-5272C, MIL-HDBK-5400 and MIL-STD-810D.


A tri-band blade antenna designed for WiMax 802.16, quad GSM and Wireless Local Area Network (WLAN) communications utilizing IEEE 802.11a/b/g/n wireless broadband standards.
The S65-5366-720 antenna provides world-wide interoperability for data loading electronic flight bags, cargo loading manifests, HUMS (Health and Usage Monitoring System) offloads, updating in-flight entertainment systems and other data transfer functions.
Federal & Military Certifications:
FAA TSO C74d, DO-144A, DO-160D/E/G, MIL-A-7772B, MIL-E-5272C, MIL-HDBK-5400 and MIL-STD-810D.

